芯科盛电子:马达干扰语音IC处理方法
发布时间:2015.08.15
|
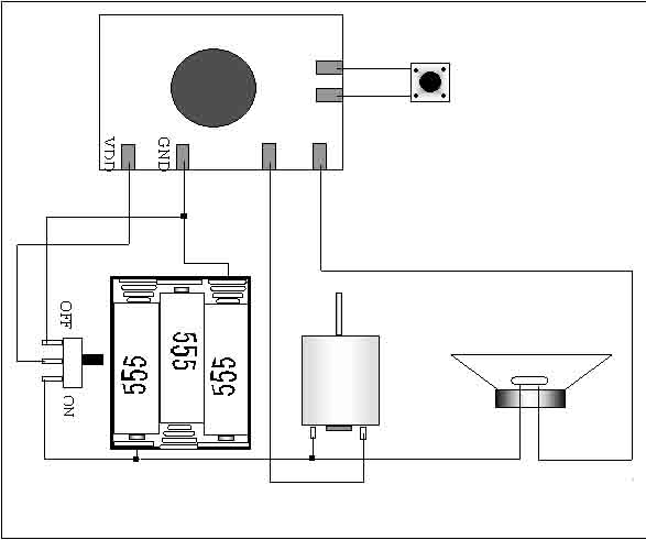
客户在需要驱动马达的应用中经常遇到马达干扰语音IC问题,有些应用甚至要求测试时用手握住马达使其停止运转,而语音IC在马达停转后仍然继续正常。 由于马达工作电流大,且大多数应用中马达价格低廉,噪声信号非常大。这些噪声会以共模和差模的方式干扰到语音IC,使语音IC逻辑错误。 解决这些干扰的办法有: 1. 在线路中加退耦组件,在Trigger pin加102电容和10k电阻到地,在马达两端加电容电感组件吸收杂波。 2. 程序中进行时间分隔(例如在马达正反转时中间加上200ms的Delay), 整理马达和电源线的排列,如下图,其中马达和喇叭等大电流组件,需要直接连到电池盒,不要走PCB的电源线。另外:马达线最好与其它线完全分开,不要缠绕在一起。---芯科盛电子 ![]() |



